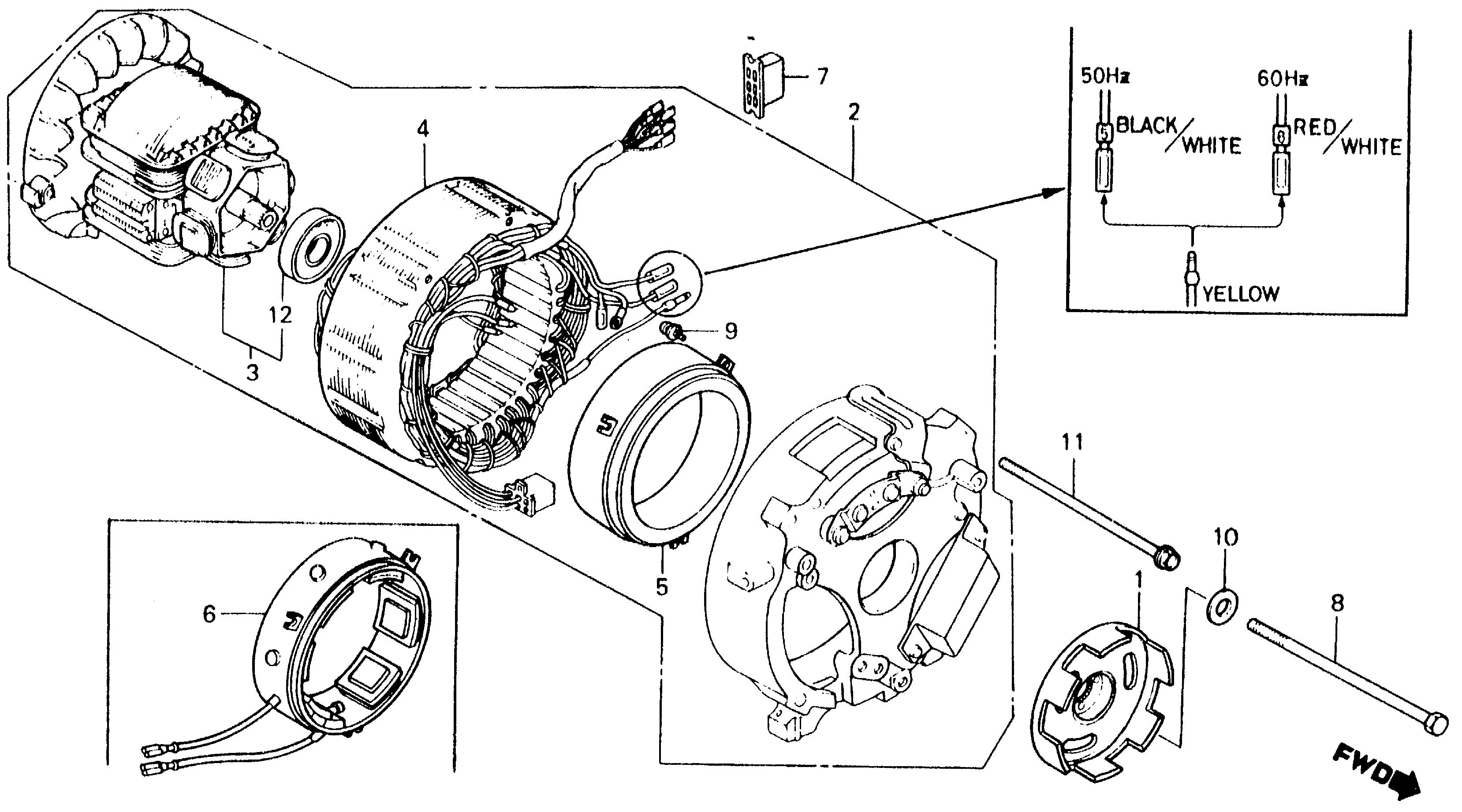
Generators EM EM600 EM600 A EM600-1000001-9999999 ALTERNATOR - DFW Honda

Ref No
Part Number
Description
Serial Range
Qty
Price

Ref No
1
Part Number
28570-892-000
Description
PULLEY, STARTER (NOT AVAILABLE)
Serial Range
1000001 - 9999999

Ref No
2
Part Number
31100-ZA2-631
Description
ALTERNATOR ASSY.
Serial Range
1000001 - 9999999

Ref No
3
Part Number
31104-ZA2-003
Description
ROTOR
Serial Range
1000001 - 9999999

Ref No
4
Part Number
31105-ZA2-631
Description
STATOR ASSY. (NOT AVAILABLE)
Serial Range
1000001 - 9999999

Ref No
5
Part Number
31106-892-003
Description
EXCITER ASSY. (NOT AVAILABLE)
Serial Range
1000001 - 9999999

Ref No
7
Part Number
32134-611-000
Description
CONNECTOR, MALE (6 POLE)
Serial Range
1000001 - 9999999
Qty
Price
$9.58

Ref No
8
Part Number
90005-ZA2-000
Description
BOLT, HEX. (8X120) (NOT AVAILABLE)
Serial Range
1000001 - 9999999

Ref No
9
Part Number
90031-892-003
Description
SCREW, TAPPING (5X12)
Serial Range
1000001 - 9999999

Ref No
10
Part Number
94103-08000
Description
WASHER, PLAIN (8MM)
Serial Range
1000001 - 9999999

Ref No
11
Part Number
90011-ZA2-000
Description
BOLT, FLANGE (6X120)
Serial Range
1000001 - 9999999

Ref No
12
Part Number
96150-60020-10
Description
BEARING, RADIAL BALL (6002UU)
Serial Range
1000001 - 9999999
Qty
Price
$17.48