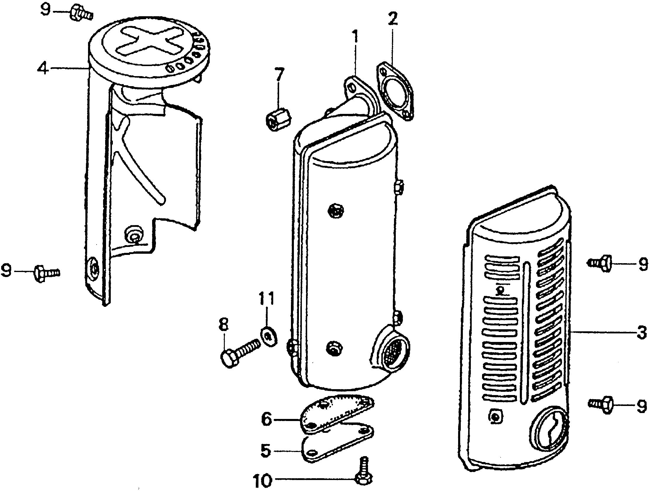
Generators ES ES3500 ES3500 A ES3500-1000032-1028641 MUFFLER - DFW Honda

Ref No
Part Number
Description
Serial Range
Qty
Price

Ref No
1
Part Number
18300-880-670
Description
MUFFLER
Serial Range
1000001 - 1018203

Ref No
1
Part Number
18300-880-671
Description
MUFFLER (NOT AVAILABLE)
Serial Range
1018204 - 9999999

Ref No
2
Part Number
18351-809-000
Description
GASKET, MUFFLER
Serial Range
1000001 - 9999999

Ref No
3
Part Number
18361-880-000
Description
PROTECTOR, MUFFLER
Serial Range
1000001 - 9999999

Ref No
4
Part Number
18365-880-000
Description
COVER, RR. MUFFLER (NOT AVAILABLE)
Serial Range
1000001 - 9999999

Ref No
5
Part Number
18371-865-670
Description
LID, MUFFLER (NOT AVAILABLE)
Serial Range
1000001 - 9999999

Ref No
6
Part Number
18372-865-670
Description
GASKET, MUFFLER (NOT AVAILABLE)
Serial Range
1000001 - 9999999

Ref No
7
Part Number
90381-703-000
Description
NUT, HEX. (6MM) (NOT AVAILABLE)
Serial Range
1000001 - 9999999

Ref No
8
Part Number
92101-08018-0A
Description
BOLT, HEX. (8X18)
Serial Range
1000001 - 9999999
Qty
Price
$1.96

Ref No
9
Part Number
93000-06006-0B
Description
BOLT, HEX. (6X6)
Serial Range
1000001 - 9999999

Ref No
10
Part Number
93101-06012-0B
Description
BOLT, HEX. (6X12)
Serial Range
1000001 - 9999999
Qty
Price
$2.24

Ref No
11
Part Number
94101-08000
Description
WASHER, PLAIN (8MM)
Serial Range
1000001 - 9999999
Qty
Price
$1.00